Ausführung-RP

Ausführung-RP

KAUTSCHUK
Material : NR - SBR - CR - EPDM
Härte : 45 - 57 - 70 Shore A
Härte-Toleranz : ± 5 Shore A

METALL
Material : DIN EN 10111-98
Coating : DIN EN 12329-Fe // Zn // C Cr+3 weiß verzinkt

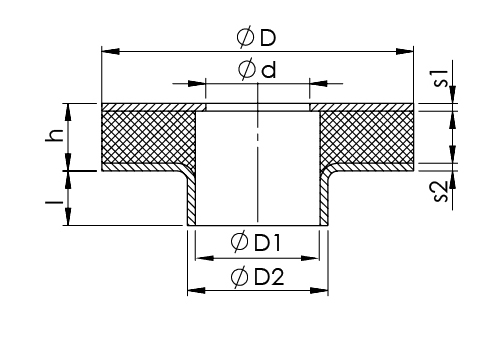
Ref. Nr. ØD Ød ØD1 ØD2 h l s1 s2
type-RP mm mm mm mm mm mm mm mm
RP36106 36 6,2 6,2 15 10 6 1 1
RP36104 36 8,5 12 18 10 4 1 1
RP36083 36 16,6 16,6 20 8 3 1 1
RP601310 60 20,5 24 27 13 10,5 1,5 1,5
RP60134 60 20,5 24 27 13 4 1,5 1,5
RP60304 60 20,5 24 27 30 4 1,5 1,5
Für die technische Beratung nehmen Sie bitte mit uns Kontakt auf. Unser Unternehmen behält sich das Recht vor, Jederzeit und ohne vorherige Ankündigung Änderungen an design und technische Eigenschaften von den Produkten vorzunehmen.