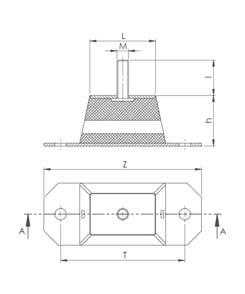
Ausführung-SF
KAUTSCHUK
Material : NR - SBR - CR - EPDM
Härte : 45 - 57 - 70 Shore A
Härte-Toleranz : ± 5 Shore A
METALL
Material : DIN EN 10111-98
Coating : DIN EN 12329-Fe // Zn // C Cr+3 weiß verzinkt



