Tip-DS

Tip-DS

KAUÇUK
Malzeme : NR - SBR - CR - NBR - EPDM
Sertlik : 45 - 57 - 70 Shore A
Sertlik Toleransı : ± 5 Shore A

METAL
Malzeme : DIN EN 10111-98
Kaplama : DIN EN 12329-Fe // Zn // C Cr+3 Çinko Kaplama

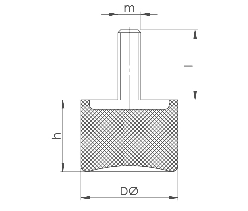
Ref Nr. h m l
type-DS mm mm mm metric
DS2023 20 23,5 M6 18
DS2518 25 18,5 M6 18
DS3028 30 28,5 M8 20
DS4020 40 20 M8 20
DS4028 40 28 M8 23
DS5012 50 12 M10 28
DS5028 50 28 M10 28
DS7537 75 37 M12 37
DS10050 100 50 M16 43
Müşterilerin detaylı teknik bilgi için bizimle irtibata geçmesi tavsiye edilir. Firmamız tasarım ve ürünlerimizin teknik özellikleri değiştirme hakkını saklı tutar.