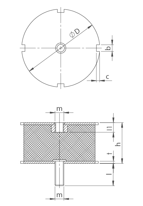
Tip-EBRS
KAUÇUK
Malzeme : NR - SBR - CR - NBR - EPDM
Sertlik : 45 - 57 - 70 Shore A
Sertlik Toleransı : ± 5 Shore A
METAL
Malzeme : DIN EN 10111-98
Kaplama : DIN EN 12329-Fe // Zn // C Cr+3 Çinko Kaplama





